Chào mừng các bộ phận cơ khí Trung Tây!
+86-029-83327769 melody@mwmechparts.com
hiện tại vị trí: Trang chủ / Các sản phẩm / Bộ phận cơ khí phi tiêu chuẩn / Đồ đạc và dụng cụ làm việc FA / Công cụ dây chuyền lắp ráp độ chính xác tùy chỉnh
CÁC SẢN PHẨM

Công cụ dây chuyền lắp ráp độ chính xác tùy chỉnh

Share:
facebook sharing button
twitter sharing button
line sharing button
wechat sharing button
linkedin sharing button
pinterest sharing button
whatsapp sharing button
sharethis sharing button
Tên: Công cụ dây chuyền lắp ráp, dụng cụ cố định kim loại, công cụ làm việc, các bộ phận kim loại

Vật liệu: Thép khuôn
 
  • MWMECH

  • Đúng

Tình trạng sẵn có:
Số:


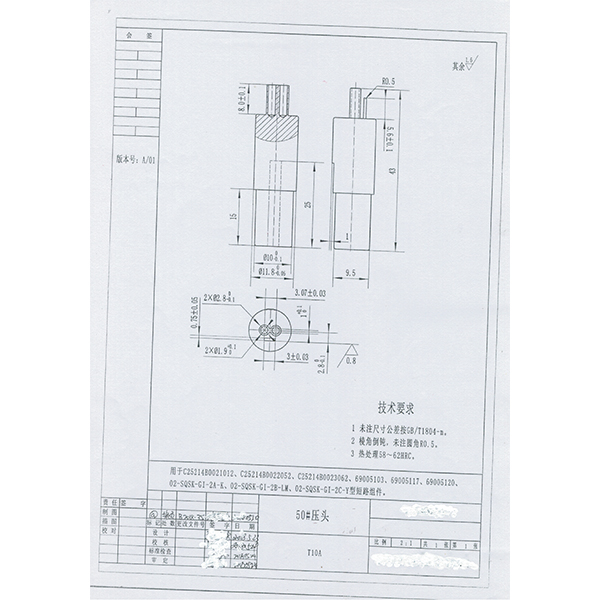
Ứng dụng công cụ dây chuyền lắp ráp  chính xác


  • Những hình ảnh và bản vẽ này là các sản phẩm tùy chỉnh của chúng tôi. Nó cho thấy khả năng cung cấp của chúng tôi. Do sở hữu trí tuệ, nó chỉ để tham khảo.

  • Lắp ráp các thiết bị công việc & thiết bị công việc là cho dòng xử lý tự động hóa nhà máy.  

  • Tính nhất quán tốt, chất lượng ổn định, dung sai chính xác +/- 0,002mm đến +/- 0,005mm.

  • Hệ thống đảm bảo chất lượng ISO.


Các cú đấm chính xác khác và các bộ phận chết mà chúng tôi có thể cung cấp chẳng hạn: các khuôn/khuôn chính xác, cú đấm tiêu đề hoặc các bộ phận cho đường dây lắp ráp để hỗ trợ chuyển động và luồng vị trí làm việc của các máy như dưới đây, đây là những trường hợp thực tế chúng tôi đã thực hiện.


1) Cú đấm tiêu đề, nhấn đầu, cú đấm đầu   để nhấn và lắp ráp các phần khác nhau và các bộ phận.

Đầu nhấn Tùy chỉnh để lắp ráp-mwmechparts

Tùy chỉnh Nhấn Head Assemble Line Tool-MWMechparts

Tùy chỉnh Công cụ lắp ráp đầu dây dẫn MWMechparts

Tùy chỉnh cú đấm Head-MWMechParts


2)   Ghim đấm, chân phun cho các bộ phận khuôn /khuôn


Die Punch Assemble Tool-Mwmechparts Các chân đẩy thẳng tùy chỉnh MWMechparts



3) Các bộ phận có liên quan chúng ta có thể làm -chết cạnh tranh

Tùy chỉnh độ chính xác cho việc lắp ráp-mwmechparts

Tùy chỉnh độ chính xác cho công cụ lắp ráp-mwmechparts



BẠN CŨNG CÓ THỂ THÍCH

GIỚI THIỆU CÔNG TY TNHH PHỤ TÙNG CƠ KHÍ TRUNG TÂY,
Tập trung vào độ phân giải và các số liệu sau 0,000mm.

đường dẫn nhanh

Các sản phẩm

Liên hệ chúng tôi

Điện thoại: +86-029-83327769
Wechat/Whatsapp: +86 19929016219
E-mail: melody@mwmechparts.com

Add.: No.1518, F15, Building 1, Qianhai Life Financial Center, Jinqiao 3rd Road 418#, Chanba Ecological District, Xi'an, Shaanxi, China.

© Bản quyền 2022 Công ty TNHH Phụ tùng Cơ khí Trung Tây, Sơ đồ trang web