MWMECH
MWG-1908
Đúng
thép khuôn gia công nóng, SUJ2, SKD11, S45C
| Tình trạng sẵn có: | |
|---|---|
| Số: | |
|
| |
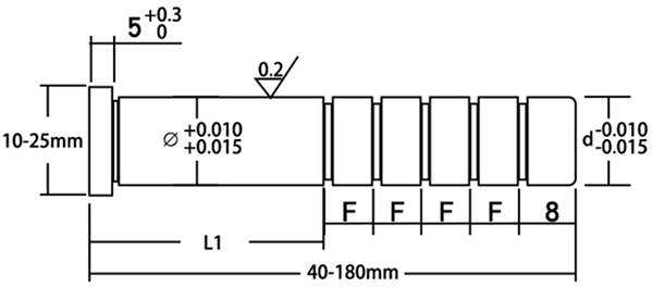
Trụ dẫn hướng được sử dụng kết hợp với các bộ phận khác trong khuôn để đảm bảo khuôn di chuyển với vị trí và lộ trình chính xác.Nó thường có hình trụ với vai và rãnh dầu.Vật liệu thông thường là SUJ2, thép khuôn nóng, sắt dễ cán, v.v. Nó có khả năng ngăn ngừa mài mòn và hư hỏng khuôn và giúp việc bảo trì dễ dàng hơn vì có thể lắp đặt và tháo rời khỏi tấm.
Độ tròn của trụ dẫn hướng là rất cần thiết.Để mài được đường kính ngoài, máy mài trụ phải dùng tâm băng tỳ vào lỗ tâm của nó để trụ dẫn hướng quay được.
Theo cách sử dụng, trụ dẫn hướng dành cho khuôn ô tô, sử dụng độc lập, khung khuôn, tấm dỡ hàng, v.v.
Thông thường mặt trụ bên trong là ø32H7, Ra0.2um;bề mặt trụ ngoài ø45R6, Ra0.4um.
Độ cứng: 58-62HRC
Độ nhám bề mặt: Ra0,4-0,8
Dung sai chính xác: +/- 0,005mm
Độ đồng tâm: +/- 0,01mm
Dung sai độ thẳng: 0,002mm
Dung sai độ tròn: 0,002mm
Xử lý bề mặt: xử lý nhiệt thấm cacbon
Ứng dụng: khuôn dập, khuôn bế, khuôn nhựa
Phạm vi kích thước thông thường
![]() | ![]() | ![]() |
Hướng dẫn kích thước thông thường Hướng dẫn trụ cột Hướng dẫn Bush trong kho
Bạn cần cung cấp bản vẽ rõ ràng và các yêu cầu để các kỹ sư của chúng tôi hiểu thấu đáo.
Chúng tôi cũng có thể cung cấp các bộ phận cơ khí chính xác như sau:
thành phần gia công CNC,
Lắp ráp cú đấm,
Lắp ráp cú đấm đầu dòng,
Lắp ráp các bộ phận kết nối đường dây -Adapter,
Lắp ráp các thành phần tấm gắn dây chuyền,
Dây chuyền lắp ráp kẹp kim loại,
Lắp ráp tay áo hướng dẫn dòng,
Lắp ráp các phần chèn định hướng dòng,
Lắp ráp các bộ phận kết nối mặt bích đường dây,
Lắp ráp thiết bị dây chuyền,
Bộ phận định hướng cho dây chuyền lắp ráp,
Bộ phận đo lường cho dây chuyền lắp ráp,
Bộ phận kiểm tra,
Máy cắt phân chia kim loại phi tiêu chuẩn Dụng cụ dây chuyền lắp ráp…
Khách hàng được yêu cầu cung cấp mã và bản vẽ tiêu chuẩn cho giá ưu đãi và xử lý.
Tính nhất quán tốt, chất lượng ổn định, dung sai +/- 0,005.
Thời gian dẫn nhanh 5-7 ngày đối với kích thước thông thường.
Bên trong: túi bong bóng, túi PE hoặc con dấu nhựa có dầu chống ăn mòn cộng với hộp các tông bên ngoài hoặc gói an toàn khác.
![]() | ![]() |
Các phương pháp xử lý bề mặt chính của phụ kiện khuôn là: mạ điện, phun, đánh bóng, anot hóa, bôi đen, v.v.
Chức năng là cải thiện vẻ ngoài, khả năng chống ăn mòn và chống mài mòn của các bộ phận khuôn.Mỗi loại có môi trường và điều kiện sử dụng riêng như sau:
Vật liệu thép mạ điện
Mạ điện-Electroplating là phương pháp xử lý bề mặt của các bộ phận khuôn chính xác bằng một lớp màng kim loại.Các kim loại khác nhau, chẳng hạn như crom, kẽm hoặc niken, được sử dụng làm lớp phủ trong các môi trường tiện ích khác nhau.
Cách sử dụng: Nó được sử dụng cho các bộ phận có yêu cầu về độ chính xác kích thước thấp.Do độ đồng đều về độ dày của lớp mạ điện không dễ kiểm soát nên cần phải xử lý phụ trợ để đảm bảo độ chính xác khi độ chính xác về kích thước cao.
Vật liệu thép phun
Phun đề cập đến phương pháp xử lý phun một lớp phủ trên bề mặt của các bộ phận khuôn chính xác.
Cách sử dụng: Nó có thể được sử dụng làm chất xử lý bề mặt cuối cùng cho các bộ phận đòi hỏi độ chính xác cao về kích thước và khả năng chống mài mòn cao.
Đánh bóng vật liệu thép
Đánh bóng đề cập đến việc xử lý bề mặt thành trạng thái nhẵn, phẳng, không có gờ.
Cách sử dụng: Để cải thiện hình thức bên ngoài, độ nhám siêu nhỏ và khả năng chống mài mòn của các bộ phận khuôn và khuôn.
Blacking thép thông thường
Làm đen đề cập đến phương pháp xử lý bề mặt của các bộ phận khuôn thành một lớp màng oxit đen.
Cách sử dụng: Thép thông thường như một loại vật liệu của các bộ phận khuôn, nếu nhu cầu về hiệu suất và yêu cầu chống ăn mòn không cao, xử lý bôi đen có thể tiết kiệm chi phí.
Anodizing nhôm
Anodizing- Anodizing đề cập đến việc xử lý bề mặt của các bộ phận khuôn thành một lớp màng oxit.
Cách sử dụng: Do độ cứng thấp, thường được sử dụng làm phụ kiện khuôn phụ trợ.
Bạn có thể có nhiều lựa chọn xử lý bề mặt theo nhu cầu của bạn.Dưới đây là một số phương pháp thông thường chúng tôi sử dụng.
Câu hỏi thường gặp
Q: Bạn có thể làm dịch vụ gì?
Đáp: OEM/ODM.Các mẫu miễn phí có sẵn sau khi giá được xác nhận, nhưng bạn cần chia sẻ cước vận chuyển mẫu.Chúng tôi sản xuất các bộ phận theo bản vẽ hoặc mẫu của khách hàng.Liên quan đến việc bảo vệ tài sản trí tuệ của khách hàng, chúng tôi không bán sản phẩm của khách hàng cho bên thứ ba.
Hỏi: Khách hàng nên cung cấp dữ liệu gì để báo giá chính xác?
Trả lời: Các bản vẽ hoặc mẫu, số lượng, dung sai, tiêu chuẩn, vật liệu, bề mặt hoàn thiện, các yêu cầu đặc biệt khác, v.v.
Q: Phương thức giao hàng của bạn là gì?
Trả lời: DHL, EMS, UPS, vận tải đường bộ hoặc đường biển có sẵn.
Q: Làm thế nào để bạn đảm bảo kiểm soát chất lượng?
A: Kiểm tra đầy đủ với báo cáo thử nghiệm và giấy chứng nhận thành phần vật liệu cho mỗi đơn hàng và dịch vụ sau bán hàng 1 năm để sửa chữa hoặc thay thế miễn phí cho các sản phẩm bị thiếu.Tỷ lệ sửa chữa gần như bằng không và các sản phẩm bị lỗi đều được thay thế hoặc sửa chữa miễn phí.
Q: Thời gian giao hàng của bạn là bao lâu?
A: 10-30 ngày tùy theo số lượng.
Q: bạn có thể xử lý bề mặt nào?
A: Titanium nitride (TiN), TiCN, mạ titan, bôi đen, thấm cacbon, mạ kẽm, sơn kẽm, mạ điện, tấm chrome, vv
Hỏi: thời hạn thanh toán của bạn là gì?
Trả lời: T / T, L / C, Western Union, PayPal, v.v.
Trụ dẫn hướng được sử dụng kết hợp với các bộ phận khác trong khuôn để đảm bảo khuôn di chuyển với vị trí và lộ trình chính xác.Nó thường có hình trụ với vai và rãnh dầu.Vật liệu thông thường là SUJ2, thép khuôn nóng, sắt dễ cán, v.v. Nó có khả năng ngăn ngừa mài mòn và hư hỏng khuôn và giúp việc bảo trì dễ dàng hơn vì có thể lắp đặt và tháo rời khỏi tấm.
Độ tròn của trụ dẫn hướng là rất cần thiết.Để mài được đường kính ngoài, máy mài trụ phải dùng tâm băng tỳ vào lỗ tâm của nó để trụ dẫn hướng quay được.
Theo cách sử dụng, trụ dẫn hướng dành cho khuôn ô tô, sử dụng độc lập, khung khuôn, tấm dỡ hàng, v.v.
Thông thường mặt trụ bên trong là ø32H7, Ra0.2um;bề mặt trụ ngoài ø45R6, Ra0.4um.
Độ cứng: 58-62HRC
Độ nhám bề mặt: Ra0,4-0,8
Dung sai chính xác: +/- 0,005mm
Độ đồng tâm: +/- 0,01mm
Dung sai độ thẳng: 0,002mm
Dung sai độ tròn: 0,002mm
Xử lý bề mặt: xử lý nhiệt thấm cacbon
Ứng dụng: khuôn dập, khuôn bế, khuôn nhựa
Phạm vi kích thước thông thường
![]() | ![]() | ![]() |
Hướng dẫn kích thước thông thường Hướng dẫn trụ cột Hướng dẫn Bush trong kho
Bạn cần cung cấp bản vẽ rõ ràng và các yêu cầu để các kỹ sư của chúng tôi hiểu thấu đáo.
Chúng tôi cũng có thể cung cấp các bộ phận cơ khí chính xác như sau:
thành phần gia công CNC,
Lắp ráp cú đấm,
Lắp ráp cú đấm đầu dòng,
Lắp ráp các bộ phận kết nối đường dây -Adapter,
Lắp ráp các thành phần tấm gắn dây chuyền,
Dây chuyền lắp ráp kẹp kim loại,
Lắp ráp tay áo hướng dẫn dòng,
Lắp ráp các phần chèn định hướng dòng,
Lắp ráp các bộ phận kết nối mặt bích đường dây,
Lắp ráp thiết bị dây chuyền,
Bộ phận định hướng cho dây chuyền lắp ráp,
Bộ phận đo lường cho dây chuyền lắp ráp,
Bộ phận kiểm tra,
Máy cắt phân chia kim loại phi tiêu chuẩn Dụng cụ dây chuyền lắp ráp…
Khách hàng được yêu cầu cung cấp mã và bản vẽ tiêu chuẩn cho giá ưu đãi và xử lý.
Tính nhất quán tốt, chất lượng ổn định, dung sai +/- 0,005.
Thời gian dẫn nhanh 5-7 ngày đối với kích thước thông thường.
Bên trong: túi bong bóng, túi PE hoặc con dấu nhựa có dầu chống ăn mòn cộng với hộp các tông bên ngoài hoặc gói an toàn khác.
![]() | ![]() |
Các phương pháp xử lý bề mặt chính của phụ kiện khuôn là: mạ điện, phun, đánh bóng, anot hóa, bôi đen, v.v.
Chức năng là cải thiện vẻ ngoài, khả năng chống ăn mòn và chống mài mòn của các bộ phận khuôn.Mỗi loại có môi trường và điều kiện sử dụng riêng như sau:
Vật liệu thép mạ điện
Mạ điện-Electroplating là phương pháp xử lý bề mặt của các bộ phận khuôn chính xác bằng một lớp màng kim loại.Các kim loại khác nhau, chẳng hạn như crom, kẽm hoặc niken, được sử dụng làm lớp phủ trong các môi trường tiện ích khác nhau.
Cách sử dụng: Nó được sử dụng cho các bộ phận có yêu cầu về độ chính xác kích thước thấp.Do độ đồng đều về độ dày của lớp mạ điện không dễ kiểm soát nên cần phải xử lý phụ trợ để đảm bảo độ chính xác khi độ chính xác về kích thước cao.
Vật liệu thép phun
Phun đề cập đến phương pháp xử lý phun một lớp phủ trên bề mặt của các bộ phận khuôn chính xác.
Cách sử dụng: Nó có thể được sử dụng làm chất xử lý bề mặt cuối cùng cho các bộ phận đòi hỏi độ chính xác cao về kích thước và khả năng chống mài mòn cao.
Đánh bóng vật liệu thép
Đánh bóng đề cập đến việc xử lý bề mặt thành trạng thái nhẵn, phẳng, không có gờ.
Cách sử dụng: Để cải thiện hình thức bên ngoài, độ nhám siêu nhỏ và khả năng chống mài mòn của các bộ phận khuôn và khuôn.
Blacking thép thông thường
Làm đen đề cập đến phương pháp xử lý bề mặt của các bộ phận khuôn thành một lớp màng oxit đen.
Cách sử dụng: Thép thông thường như một loại vật liệu của các bộ phận khuôn, nếu nhu cầu về hiệu suất và yêu cầu chống ăn mòn không cao, xử lý bôi đen có thể tiết kiệm chi phí.
Anodizing nhôm
Anodizing- Anodizing đề cập đến việc xử lý bề mặt của các bộ phận khuôn thành một lớp màng oxit.
Cách sử dụng: Do độ cứng thấp, thường được sử dụng làm phụ kiện khuôn phụ trợ.
Bạn có thể có nhiều lựa chọn xử lý bề mặt theo nhu cầu của bạn.Dưới đây là một số phương pháp thông thường chúng tôi sử dụng.
Câu hỏi thường gặp
Q: Bạn có thể làm dịch vụ gì?
Đáp: OEM/ODM.Các mẫu miễn phí có sẵn sau khi giá được xác nhận, nhưng bạn cần chia sẻ cước vận chuyển mẫu.Chúng tôi sản xuất các bộ phận theo bản vẽ hoặc mẫu của khách hàng.Liên quan đến việc bảo vệ tài sản trí tuệ của khách hàng, chúng tôi không bán sản phẩm của khách hàng cho bên thứ ba.
Hỏi: Khách hàng nên cung cấp dữ liệu gì để báo giá chính xác?
Trả lời: Các bản vẽ hoặc mẫu, số lượng, dung sai, tiêu chuẩn, vật liệu, bề mặt hoàn thiện, các yêu cầu đặc biệt khác, v.v.
Q: Phương thức giao hàng của bạn là gì?
Trả lời: DHL, EMS, UPS, vận tải đường bộ hoặc đường biển có sẵn.
Q: Làm thế nào để bạn đảm bảo kiểm soát chất lượng?
A: Kiểm tra đầy đủ với báo cáo thử nghiệm và giấy chứng nhận thành phần vật liệu cho mỗi đơn hàng và dịch vụ sau bán hàng 1 năm để sửa chữa hoặc thay thế miễn phí cho các sản phẩm bị thiếu.Tỷ lệ sửa chữa gần như bằng không và các sản phẩm bị lỗi đều được thay thế hoặc sửa chữa miễn phí.
Q: Thời gian giao hàng của bạn là bao lâu?
A: 10-30 ngày tùy theo số lượng.
Q: bạn có thể xử lý bề mặt nào?
A: Titanium nitride (TiN), TiCN, mạ titan, bôi đen, thấm cacbon, mạ kẽm, sơn kẽm, mạ điện, tấm chrome, vv
Hỏi: thời hạn thanh toán của bạn là gì?
Trả lời: T / T, L / C, Western Union, PayPal, v.v.
Add.: No.1518, F15, Building 1, Qianhai Life Financial Center, Jinqiao 3rd Road 418#, Chanba Ecological District, Xi'an, Shaanxi, China.